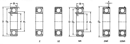
| ตลับลูกปืนเม็ดกลมร่องลึก แถวเดี่ยว พร้อมร่องหยอดเม็ดลูกกลิ้ง SINGLE ROW DEEP GROOVE BALL BEARINGS WITH FILLING SLOTS |

รหัสสินค้า |
ขนาด |
รหัสสินค้า |
ขนาด |
||||
d |
D |
B |
d |
D |
B |
||
2XX |
3XX |
||||||
206 |
30 | 62 | 16 | 305 |
25 | 62 | 17 |
206-2Z |
30 | 62 | 16 | 305-2Z |
25 | 62 | 17 |
206 NR |
30 | 62 | 16 | 306 |
30 | 72 | 19 |
207 |
35 | 72 | 17 | 306-Z |
30 | 72 | 19 |
207-Z |
35 | 72 | 17 | 306-2Z |
30 | 72 | 19 |
207-2Z |
35 | 72 | 17 | 306 NR |
30 | 72 | 19 |
207 NR |
35 | 72 | 17 | 307 |
35 | 80 | 21 |
207-ZNR |
35 | 72 | 17 | 307/C3 |
35 | 80 | 21 |
208 |
40 | 80 | 18 | 307-Z |
35 | 80 | 21 |
208-Z |
40 | 80 | 18 | 307-2Z |
35 | 80 | 21 |
208-2Z |
40 | 80 | 18 | 307 NR |
35 | 80 | 21 |
208 NR |
40 | 80 | 18 | 307-ZNR |
35 | 80 | 21 |
208-ZNR |
40 | 80 | 18 | 308 |
40 | 90 | 23 |
209 |
45 | 85 | 19 | 308-Z |
40 | 90 | 23 |
209-Z |
45 | 85 | 19 | 308-2Z |
40 | 90 | 23 |
209-2Z |
45 | 85 | 19 | 308 NR |
40 | 90 | 23 |
209 NR |
45 | 85 | 19 | 308-ZNR |
40 | 90 | 23 |
209-ZNR |
45 | 85 | 19 | 309 |
45 | 100 | 25 |
210 |
50 | 90 | 20 | 309-Z |
45 | 100 | 25 |
210-RS1 |
50 | 90 | 20 | 309-2Z |
45 | 100 | 25 |
210-Z |
50 | 90 | 20 | 309 NR |
45 | 100 | 25 |
210-2Z |
50 | 90 | 20 | 309-ZNR |
45 | 100 | 25 |
210 NR |
50 | 90 | 20 | 310 |
50 | 110 | 27 |
210-ZNR |
50 | 90 | 20 | 310-Z |
50 | 110 | 27 |
211 |
55 | 100 | 21 | 310 NR |
50 | 110 | 27 |
211-Z |
55 | 100 | 21 | 310-ZNR |
50 | 110 | 27 |
211-2Z |
55 | 100 | 21 | 311 |
55 | 120 | 29 |
211 NR |
55 | 100 | 21 | 311-2Z |
55 | 120 | 29 |
211-ZNR |
55 | 100 | 21 | 311 NR |
55 | 120 | 29 |
212 |
60 | 110 | 22 | 311-ZNR |
55 | 120 | 29 |
212-Z |
60 | 110 | 22 | 312 |
60 | 130 | 31 |
212-2Z |
60 | 110 | 22 | 312-Z |
60 | 130 | 31 |
212 NR |
60 | 110 | 22 | 312-2Z |
60 | 130 | 31 |
212-ZNR |
60 | 110 | 22 | 312 NR |
60 | 130 | 31 |
213 |
65 | 120 | 23 | 312-ZNR |
60 | 130 | 31 |
213-Z |
65 | 120 | 23 | 313 |
65 | 140 | 33 |
213-2Z |
65 | 120 | 23 | 313 NR |
65 | 140 | 33 |
213 NR |
65 | 120 | 23 | 313-ZNR |
65 | 140 | 33 |
213-ZNR |
65 | 120 | 23 | 313-2ZAR |
65 | 140 | 33 |
214 |
70 | 125 | 24 | 314 |
70 | 150 | 35 |
214-2Z |
70 | 125 | 24 | 314-2Z |
70 | 150 | 35 |
214-ZNR |
70 | 125 | 24 | 314 NR |
70 | 150 | 35 |
215 |
75 | 130 | 25 | 314-ZNR |
70 | 150 | 35 |
216 |
80 | 140 | 26 | ||||
Master Bearings