| µÅѺÅÙ¡»×¹àÁç´àÃÕÂÇ TAPER ROLLER BEARINGS |

ÃËÑÊÊÔ¹¤éÒ |
¢¹Ò´ |
ÃËÑÊÊÔ¹¤éÒ |
¢¹Ò´ |
||||||
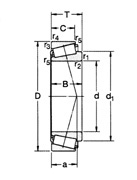
d |
D |
T |
C | d |
D |
T |
C |
||
302XX |
320XX |
||||||||
30203 J2 |
17 | 40 | 13.25 | 11 | 32004 X/Q |
20 | 42 | 15 | 12 |
30204 J2/Q |
20 | 47 | 15.25 | 12 | 32005 X/Q |
25 | 47 | 15 | 11.5 |
30205 J2/Q |
25 | 50 | 16.25 | 13 | 32006 X/Q |
30 | 55 | 17 | 13 |
30206 J2/Q |
30 | 62 | 17.25 | 14 | 32007 X/Q |
35 | 62 | 18 | 14 |
30207 J2/Q |
35 | 72 | 18.77 | 15 | 32008X/Q |
40 | 68 | 19 | 14.5 |
30208 J2/Q |
40 | 80 | 19.75 | 16 | 32009 X/Q |
45 | 75 | 20 | 15.5 |
30209 J2/Q |
45 | 85 | 20.75 | 16 | 32010 X/Q |
50 | 80 | 20 | 15.5 |
30210 J2/Q |
50 | 90 | 22.09 | 17 | 32011 X/Q |
55 | 90 | 23 | 17.5 |
30211 J2/Q |
55 | 100 | 22.75 | 18 | 30212 X/QCL7C |
60 | 95 | 23 | 17.5 |
30212 J2/Q |
60 | 110 | 23.75 | 19 | 30213 X/Q |
65 | 100 | 23 | 17.5 |
30213 J2/Q |
65 | 120 | 24.75 | 20 | 30214 X/Q |
70 | 110 | 25 | 19 |
30214 J2/Q |
70 | 125 | 26.25 | 21 | 30215 X/Q |
75 | 115 | 25 | 19 |
30215 J2/Q |
75 | 130 | 27.25 | 22 | 32016 X/Q |
80 | 125 | 29 | 22 |
30216 J2/Q |
80 | 140 | 28.25 | 22 | 32017 X/Q |
85 | 130 | 29 | 22 |
30217 J2/Q |
85 | 150 | 30.5 | 24 | 32018 X/Q |
90 | 140 | 32 | 24 |
30218 J2 |
90 | 160 | 32.5 | 26 | 32019 X/Q |
95 | 145 | 32 | 24 |
30219 J2 |
95 | 170 | 34.5 | 27 | 32020 X/Q |
100 | 150 | 32 | 24 |
30220 J2 |
100 | 180 | 37 | 29 | 32021 X/Q |
105 | 160 | 35 | 26 |
30221 J2 |
105 | 190 | 39 | 30 | 32022 X/Q |
110 | 170 | 38 | 29 |
30222 J2 |
110 | 200 | 41 | 32 | 322XX |
||||
30224 J2 |
120 | 215 | 43.5 | 34 | 32205 BJ2/Q |
25 | 52 | 19.25 | 15 |
30226 J2 |
130 | 230 | 43.75 | 34 | 32206 J2/Q |
30 | 62 | 21.25 | 17 |
30228 J2 |
140 | 250 | 45.75 | 36 | 32207 J2/Q |
35 | 72 | 24.25 | 19 |
303XX |
32208 J2/Q |
40 | 80 | 24.75 | 19 | ||||
30302 J2 |
15 | 42 | 14.25 | 11 | 32209 J2/Q |
45 | 85 | 24.75 | 19 |
30303 J2 |
17 | 47 | 15.25 | 12 | 32210 J2/Q |
50 | 90 | 24.75 | 19 |
30304 J2/Q |
20 | 52 | 16.25 | 13 | 32211 J2/Q |
55 | 100 | 26.75 | 21 |
30305 J2 |
25 | 62 | 18.25 | 15 | 32212 J2/Q |
60 | 110 | 29.75 | 24 |
30306 J2/Q |
30 | 72 | 20.75 | 16 | 32213 J2/Q |
65 | 120 | 32.75 | 27 |
30307 J2/Q |
35 | 80 | 22.75 | 18 | 32214 J2/Q |
70 | 125 | 33.25 | 27 |
30308 J2/Q |
40 | 90 | 25.25 | 20 | 32215 J2/Q |
75 | 130 | 33.25 | 27 |
30309 J2/Q |
45 | 100 | 27.25 | 22 | 32216 J2/Q |
80 | 140 | 35.25 | 28 |
30310 J2/Q |
50 | 110 | 29.25 | 23 | 32217 J2/Q |
85 | 150 | 38.5 | 30 |
30311 J2/Q |
55 | 120 | 31.5 | 25 | 32218 J2/Q |
90 | 160 | 42.5 | 34 |
30312 J2/Q |
60 | 130 | 33.5 | 26 | 32219 J2 |
95 | 170 | 45.5 | 37 |
30313 J2/Q |
65 | 140 | 36 | 28 | 32220 J2 |
100 | 180 | 49 | 39 |
30314 J2/Q |
70 | 150 | 38 | 30 | 32221 J2 |
105 | 190 | 53 | 43 |
30315 J2 |
75 | 160 | 40 | 31 | 32222 J2 |
110 | 200 | 56 | 46 |
30316 J2 |
80 | 170 | 42.5 | 33 | 323XX |
||||
30317 J2 |
85 | 180 | 44.5 | 34 | 32303 J2 |
17 | 47 | 20.25 | 16 |
30318 J2 |
90 | 190 | 46.5 | 36 | 32304 J2/Q |
20 | 52 | 25.25 | 18 |
30319 |
95 | 200 | 49.5 | 38 | 32305 J2 |
25 | 62 | 25.25 | 20 |
30320 J2 |
100 | 215 | 51.5 | 39 | 32306 J2/Q |
30 | 72 | 28.75 | 23 |
313XX |
32307 J2/Q |
35 | 80 | 32.75 | 25 | ||||
31305 J2 |
25 | 62 | 18.25 | 13 | 32308 J2/Q |
40 | 90 | 35.25 | 27 |
31306 J2/Q |
30 | 72 | 20.75 | 14 | 32309 J2/Q |
45 | 100 | 38.25 | 30 |
31307 J2/Q |
35 | 80 | 22.75 | 15 | 32310 J2/Q |
50 | 110 | 42.25 | 33 |
31308 J2/QCL7C |
40 | 90 | 25.25 | 17 | 32311 J2 |
55 | 120 | 45.5 | 35 |
31309 J2/QCL7C |
45 | 100 | 27.25 | 18 | 32312 J2/Q |
60 | 130 | 48.5 | 37 |
31310 J2/QCL7C |
50 | 110 | 29.25 | 23 | 32313 J2/Q |
65 | 140 | 51 | 39 |
31311 J2/Q |
55 | 120 | 31.5 | 21 | 32314 J2/Q |
70 | 150 | 54 | 42 |
31312 J2/Q |
60 | 130 | 33.5 | 22 | 32315 J2 |
75 | 160 | 58 | 45 |
31313 J2/QCL7C |
65 | 140 | 36 | 23 | 32316 J2 |
80 | 170 | 61.5 | 48 |
31314 J2/QCL7A |
70 | 150 | 38 | 25 | 32317 J2 |
85 | 180 | 63.5 | 49 |
31315 J2 |
75 | 160 | 40 | 26 | 32318 J2 |
90 | 190 | 67.5 | 53 |
31316 J1/QCL7A |
80 | 170 | 42.5 | 27 | 32319 J2 |
95 | 200 | 71.5 | 55 |
31317 J2 |
85 | 180 | 44.5 | 28 | 32320 J2 |
100 | 215 | 77.5 | 60 |
31318 J2 |
90 | 190 | 46.5 | 30 | 32321 J2 |
105 | 225 | 81.5 | 63 |
31319 J2 |
95 | 200 | 49.5 | 32 | 32322 |
110 | 240 | 84.5 | 65 |
31320 XJ2 |
100 | 215 | 56.5 | 35 | 331XX |
||||
330XX |
33108/Q |
40 | 75 | 26 | 20.5 | ||||
33010/Q |
50 | 80 | 24 | 19 | 33109/Q |
45 | 80 | 26 | 20.5 |
33011/Q |
55 | 90 | 27 | 21 | 33110/Q |
50 | 85 | 26 | 20 |
33012/Q |
60 | 95 | 27 | 21 | 33111/Q |
55 | 95 | 30 | 23 |
33013/Q |
65 | 100 | 27 | 21 | 33112/Q |
60 | 100 | 30 | 23 |
33014 |
70 | 110 | 31 | 25.5 | 33113/Q |
65 | 110 | 34 |
26.5 |
33015/Q |
75 | 115 | 31 | 25.5 | 33114/Q |
70 | 120 | 37 | 29 |
33016/Q |
80 | 125 | 36 | 29.5 | 33115/Q |
75 | 125 | 37 | 29 |
33017/Q |
85 | 130 | 36 | 29.5 | 33116/Q |
80 | 130 | 37 | 29 |
33018/Q |
90 | 140 | 39 | 32.5 | 33117/Q |
85 | 140 | 41 | 32 |
33019/Q |
95 | 145 | 39 | 32.5 | 33118/Q |
90 | 150 | 45 | 35 |
33020/Q |
100 | 150 | 39 | 32.5 | 33122 |
110 | 180 | 56 | 43 |
33021/Q |
105 | 160 | 43 | 34 | 332XX |
||||
33022 |
110 | 170 | 47 | 37 | 33205/Q |
25 | 52 | 22 | 18 |
33021 |
120 | 180 | 48 | 38 | 33206/Q |
30 | 62 | 25 | 19.5 |
33207/Q |
35 | 72 | 28 | 22 | |||||
33208/Q |
40 | 80 | 32 | 25 | |||||
33209/Q |
45 | 85 | 32 | 25 | |||||
33210/Q |
50 | 90 | 32 | 24.5 | |||||
33211/Q |
55 | 100 | 35 | 27 | |||||
33212/Q |
60 | 110 | 38 | 29 | |||||
33213/Q |
65 | 120 | 41 | 32 | |||||
33214/Q |
70 | 125 | 41 | 32 | |||||
33215/Q |
75 | 130 | 41 | 31 | |||||
33216/Q |
80 | 140 | 46 | 35 | |||||
33217/Q |
85 | 150 | 49 | 37 | |||||
33220 |
100 | 180 | 63 | 48 | |||||
