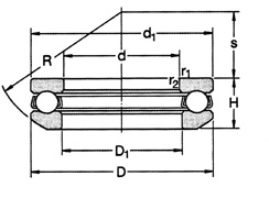
| ตลับลูกปืนกันรุนเม็ดกลม รับแรงทิศทางเดียว พร้อมแหวนรองตัวเสื้อผิวโค้ง THRUST BALL BEARINGS-SINGLE DIRECTION WITH SPHERED HOUSING WASHER |

รหัสสินค้า |
ขนาด |
รหัสสินค้า |
ขนาด |
||||
d |
D |
H |
d |
D |
H |
||
532XX |
53220 |
100 | 150 | 40.9 | |||
53201 |
12 | 28 | 11.4 | 53222 |
110 | 160 | 40.2 |
53202 |
15 | 32 | 13.3 | 533XX |
|||
53203 |
17 | 35 | 13.2 | 53306 |
30 | 60 | 22.6 |
53204 |
20 | 40 | 14.7 | 53307 |
35 | 68 | 25.6 |
53205 |
25 | 47 | 16.7 | 53308 |
40 | 78 | 28.5 |
53206 |
30 | 52 | 17.8 | 53309 |
45 | 85 | 30.1 |
53207 |
35 | 62 | 19.9 | 53310 |
50 | 95 | 34.4 |
53208 |
40 | 68 | 20.3 | 53311 |
55 | 105 | 39.3 |
53209 |
45 | 73 | 21.3 | 53312 |
60 | 110 | 38.3 |
53210 |
50 | 78 | 23.5 | 53313 |
65 | 115 | 39.4 |
53211 |
55 | 90 | 27.3 | 53314 |
70 | 125 | 44.2 |
53212 |
60 | 95 | 28 | 53315 |
75 | 135 | 48.1 |
53213 |
65 | 100 | 28.7 | 53316 |
80 | 140 | 47.6 |
53214 |
70 | 105 | 28.8 | 53317 |
85 | 150 | 53.1 |
53215 |
75 | 110 | 28.4 | 53318 |
90 | 155 | 54.6 |
53216 |
80 | 115 | 29.5 | 53320 |
100 | 170 | 59.2 |
53217 |
85 | 125 | 33.1 | 53322 |
110 | 190 | 67.2 |
53218 |
90 | 135 | 38.5 | 53324 |
120 | 210 | 74.1 |
