| ชุดตลับลูกปืนวายพร้อมเสื้อแบบหน้าแปลนรูปไข่ Y-BEARINGS FLANGED UNIT WITH COMPOSITE OVAL HOUSINGFOR FOOD AND BEVERAGE INDUSTRY |

รหัสสินค้า |
ประกอบด้วย |
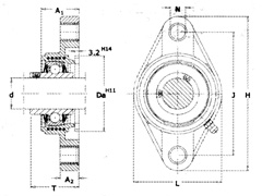
ขนาด (เป็น มม. หรือ นิ้ว) |
|||||||
เสื้อเบอร์ |
ตลับลูกปืนเบอร์ |
d (มม.) |
J |
L(มม.) |
N (มม.) |
T (มม.) |
Bolt size (มม.) | Da (มม.) |
|
FYTKC ( Y-TECH housing with stainless steel bearing) |
|||||||||
FYTBKC 20 NTH |
FYTBKC504N | YAR204-2RF/HV |
20 | 90 | 60.5 | 12.1 | 37.3 | M10 | 50.8 |
FYTBKC 25 NTH |
FYTBKC505N | YAR205-2RF/HV |
25 | 99 | 70 | 12.1 | 38.8 | M10 | 63.5 |
FYTBKC 30 NTH |
FYTBKC506N | YAR206-2RF/HV |
30 | 116.5 | 83 | 12.1 | 42.2 | M10 | 76.2 |
FYTBKC 35 NTH |
FYTBKC507N | YAR207-2RF/HV |
30 | 130 | 96 | 14.6 | 46.4 | M12 | 88.9 |
