| ชุดตลับลูกปืนวายเทคเทคอัพยูนิต ชนิดตัวเสื้อเหล็กหล่อ Y-TECH TAKE-UP UNITS WITH CAST HOUSING |

รหัสสินค้า |
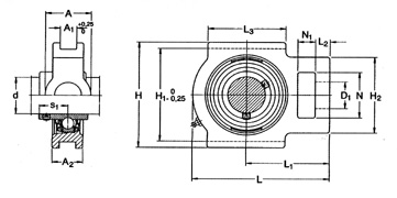
ประกอบด้วย |
ขนาด |
||||
Japanese No. |
เสื้อเบอร์ |
ตลับลูกปืนเบอร์ |
d |
H1 (มม.) |
L3 (มม.) |
N (มม.) |
TU (ขนาด d เป็นนิ้ว) |
||||||
TU 3/4 TF UCT 204-3/4" |
TU 504 M | YAR 204-012-2F | 3/4" | 76 | 54 | 32 |
TU 1. TF UCT 205-1" |
TU 505 M | YAR 205-100-2F | 1" | 76 | 52 | 33 |
TU 1.1/8 TF UCT 206-1.1/8" |
TU 506 M | YAR 206-102-2F | 1 1/8" | 76 | 52 | 33 |
TU 1.1/4 TF UCT 207-1.1/4" |
TU 507 M | YAR 207-104-2F | 1 1/4" | 89 | 64 | 38 |
TU 1.3/8 TF UCT 207-1.3/8" |
TU 507 M | YAR 207-106-2F | 1 3/8" | 89 | 64 | 38 |
TU 1.7/16 TF UCT 207-1.7/16" |
TU 507 M | YAR 207-107-2F | 1 7/16 " | 89 | 64 | 38 |
TU 1.1/2 TF UCT 208-1.1/2" |
TU 508 M | YAR 208-108-2F | 1 1/2" | 101 | 83 | 50 |
TU 1.3/4 TF UCT 209-1.3/4" |
TU 509 M | YAR 209-112-2F | 1 3/4" | 101 | 83 | 49 |
TU 1.15/16 TF UCT 210-1.15/16" |
TU 510 M | YAR 210-115-2F | 1 15/16 " | 101 | 83 | 49 |
TU 2 TF UCT 211-2" |
TU 511 M | YAR 211-200-2F | 2" | 130 | 92 | 64 |
TU (ขนาด d เป็นมิลลิเมตร) |
||||||
TU 20 TF UCT 204 |
TU 504 M | YAR 204-2F | 20 | 76 | 54 | 32 |
TU 25 TF UCT 205 |
TU 505 M | YAR 205-2F | 25 | 76 | 52 | 33 |
TU 30 FM |
TU 506 M | YET 206 | 30 | 89 | 57 | 37 |
TU 30 TF UCT 206 |
TU 506 M | YAR 206-2F | 30 | 89 | 57 | 37 |
TU 35 FM |
TU 507 M | YET 207 | 35 | 89 | 64 | 38 |
TU 35 TF UCT 207 |
TU 507 M | YAR 207-2F | 35 | 89 | 64 | 38 |
TU 40 FM |
TU 508 M | YET 208 | 40 | 101 | 83 | 50 |
TU 40 TF UCT 208 |
TU 508 M | YAR 208-2F | 40 | 101 | 83 | 50 |
TU 45 FM |
TU 509 M | YET 209 | 45 | 101 | 83 | 49 |
TU 45 TF UCT 209 |
TU 509 M | YAR 209-2F | 45 | 101 | 83 | 49 |
TU 50 FM |
TU 510 M | YET 210 | 50 | 101 | 83 | 49 |
TU 50 TF UCT 210 |
TU 510 M | YAR 210-2F | 50 | 101 | 83 | 49 |
TU 55 FM |
TU 511 M | YET 211 | 55 | 130 | 95 | 64 |
TU 55 TF UCT 211 |
TU 511 M | YAR 211-2F | 55 | 130 | 95 | 64 |
