| ชุดตลับลูกปืนวายพร้อมเสื้อแบบพลัมเมอร์บล็อค Y-BEARINGS PLUMMER BLOCK UNITS WITH COMPOSITE HOUSING FOR FOOD AND BEVERAGE INDUSTRY |

รหัสสินค้า
|
ประกอบด้วย |
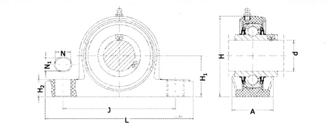
ขนาด (เป็น มม. หรือ นิ้ว) |
|||||||
เสื้อเบอร์ |
ตลับลูกปืนเบอร์ |
d (นิ้ว) |
d (มม.) |
H1 |
J (มม.) |
L (มม.) |
N (มม.) |
Bolt size (มม.) |
|
SYL(with stainless steel bearing) |
|||||||||
SYL 25 TH |
SYL505 | YAR205-2RF/HV |
25 | 36.5 | 105 | 140 | 14 | M10 | |
SYL 1. TH |
SYL505 | YAR205-100-2RF/HV |
1 | 63.5 | 105 | 140 | 14 | M10 | |
SYL 30 TH |
SYL506 | YAR206-2RF/HV |
30 | 42.9 | 119 | 163 | 18 | M12 | |
SYL 1.1/4 TH |
SYL507 | YAR207-104-2RF/HV |
1 1/4 | 47.6 | 127 | 167 | 18 | M12 | |
SYL 35 TH |
SYL507 | YAR207-2RF/HV |
35 | 47.6 | 127 | 167 | 18 | M12 | |
SYL 1.1/2 TH |
SYL508 | YAR208-108-2RF/HV |
1 1/2 | 49.2 | 137 | 184 | 18 | M12 | |
SYL 40 TH |
SYL508 | YAR208-2RF/HV |
40 | 49.2 | 137 | 184 | 18 | M12 | |
SYL (with zinc-coated bearing) |
|||||||||
SYL20TR/VE495 |
SYL504 | YAR204-2RF/VE495 |
20 | 33.3 | 95 | 127 | 14 | M10 | |
SYL25TR/VE495 |
SYL505 | YAR205-2RF/VE495 |
25 | 36.5 | 105 | 140 | 140 | M10 | |
SYL30TR/VE495 |
SYL506 | YAR20-2RF/VE495 |
30 | 42.9 | 119 | 163 | 18 | M12 | |
SYL35TR/VE495 |
SYL507 | YAR207-2RF/VE495 |
35 | 47.6 | 127 | 167 | 18 | M12 | |
SYL40TR/VE495 |
SYL508 | YAR208-2RF/VD495 |
40 | 49.2 | 137 | 184 | 18 | M12 | |

รหัสสินค้า
|
ประกอบด้วย |
ขนาด (เป็น มม. หรือ นิ้ว) |
||||||
เสื้อเบอร์ |
ตลับลูกปืนเบอร์ |
d (มม.) |
H1 (มม.) |
J (มม.) |
L (มม.) |
N (มม.) |
Bolt size (มม.) |
|
SYKC ( Y-TECH housing with stainless steel bearing ) |
||||||||
SYKC 20 NTH |
SYKC 504 N | YAR 204-2RF/HV |
20 | 33.3 | 96 | 126 | 17.6 | M10 |
SYKC 25 NTH |
SYKC 505 N | YAR 205-2RF/HV |
25 | 36.5 | 105 | 134 | 17.6 | M10 |
SYKC 30 NTH |
SYKC 506 N | YAR 206-2RF/HV |
30 | 42.9 | 121 | 159 | 21.6 | M12 |
SYKC 35 NTH |
SYKC 507 N | YAR 207-2RF/HV |
35 | 47.6 | 126 | 164 | 21.6 | M12 |
SYKC 40 NTH |
SYKC 508 N | YAR 208-2RF/HV |
40 | 49.2 | 136 | 176 | 21.6 | M12 |
